Short questions with answers and important five mark questions.
1. What is step
down transformer?
The transformer used to step down the voltage from primary to secondary is called as step down transformer (Ex: 220/110 V).
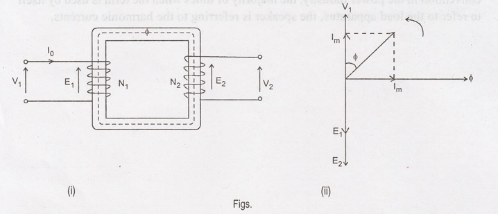
2. Draw the no
load phasor diagram of a single phase transformer.

3. Why is an
auto-transformer not used as a distribution transformer?
The
autotransformer cannot provide isolation between HV and LV side. Due to open
circuit in the common portion, the voltage on the load side may shoot up to
dangerously high voltage causing damage to equipment. This unexpected rise in
the voltage on LV side is potentially dangerous. Hence the autotransformer
cannot be used as distribution transformer.
4. Give the
basic principle behind the working of transformer.
The transformers
works in the principle of mutual induction between two coils which are
electrically isolated but magnetically coupled.
5. What are the
conditions for parallel operation of transformer?
In order that
the transformers work satisfactorily in parallel, the following conditions
should be satisfied:
i. Transformers
should be properly connected with regard to their polarities.
ii. The voltage
ratings and voltage ratios of the transformers should be the same.
iii. The per
unit or percentage impedances of the transformers should be equal.
iv. The reactance/resistance ratios of the transformers should be the same.
6. What are the
no load losses in a two winding transformer? And state the reasons for such
losses.
The no load
losses in transformer are:
i. Hysteresis Loss: To establish
the magnetic circuit in the transformer core.
ii. Eddy Current Loss: Due to
circulation of current induced in the core due to induction.
7. Why is
transformer rated in KVA?
The copper loss
of a transformer depends on current and iron loss on voltage. Hence, total
transformer loss depends on volt-ampere (VA) and not on phase angle between
voltage and current. i.e., it is independent of load power factor. That's why
rating of transformers are in kVA and not in kW.
8. Compare two
winding transformer and auto-transformer.

9. Classify the
transformer according to the construction.
Depending upon
the manner in which the primary and secondary are wound on the core,
transformers are of two types viz., (i) core-type transformer and (ii)
shell-type transformer.
10. What is
transformation ratio?
It is the ratio
in which the voltage to be transformed (stepped up or down) from primary to
secondary of a transformer. It is given by:
V2 /
V1 = N2 / N1 = K
where, K is the
transformation ratio.
11. Draw the
exact equivalent circuit of a transformer.

12. What are the
advantages of auto-transformer over ordinary transformer?
i. The
autotransformer is lesser size than ordinary two winding transformer for the
same rating. Hence the cost reduced.
ii. Auto-transformer
operates at higher efficiency.
iii. Superior voltage
regulation.
13. Mention the
properties of oil used in transformers.
The following
are the desirable properties of transformer oil:
i. It should be
free from moisture.
ii. It should
have high dielectric strength.
iii. It should
have thermally stability and higher thermal conductivity.
iv. It should be
contaminated by temperature rise.
14. Define
voltage regulation of transformer.
The voltage
regulation of a transformer is the arithmetic difference (not phasor
difference) between the no-load secondary voltage (0V2)
and the secondary voltage V2oh load expressed as percentage of
no-load voltage.

15. Write down
the volt-ampere transferred inductivity and volt-ampere transferred
conductivity in an auto-transformer.

Volt-amperes
transferred inductively: V2(I2 – I1)
Volt-amperes
transferred conductively: KV1I1.
16. What are the
properties of an ideal transformer?
An ideal
transformer has the following properties:
i. No winding
resistance
ii. No flux
leakage
iii. No coreloss
iv. Magnetize at
zero current.
17. Mention the
applications of auto-transformer.
The
autotransformers are used in the following applications:
i. To give small
boost to a distribution cable to correct the voltage drop.
ii. As auto
transformer starter to give upto 50% to 60% of full voltage to an induction
motor during starting.
iii. As furnace
transformers for getting a convenient supply to suit the furnace winding from a
230 V supply.
iv. As
interconnection transformers in 132 kV/330 kV system.
v. In control
equipment for single phase and three phase electrical locomotives.
18. Why V1
: V2 ≠ N1 : N2 in a real (practical)
transformer?
In practical
transformers, the terminal output depends on the resistive drop and magnetic
leakages. Hence the ratio of turns do not match equal with the ratio of
terminal voltages.
19. Explain the
term percentage impedance as applied to transformer.
The percentage
impedance is the per-unit impedance expressed as a percentage on a certain MVA
and voltage base.
20. What are the
various types of three phase transformer connections?
The most common
types of transformer connections are:
i. Star-Star
(Y-Y)
ii. Delta-Delta
(A-A)
iii. Star-Delta
(Y-A)
iv. Delta-Star
(A-Y)
v. Open Delta
(V-V)
vi. Scott
Connection (T-T)
21. What is an
ideal transformer?
The transformer
has the following properties is said to be an ideal transformer:
i. No winding
resistance
ii. No flux
leakage
iii. No coreloss
iv. Magnetize at
zero current.
In practical, it
is difficult to satisfy all the above properties and the concept of ideal
transformer is only an imaginative.
22. What are the
two components of noload current in transformer?
The noload
current contains two components as follows:
1. Loss
component (IW)
2. Magnetizing
component (Im).
23. What is all
day efficiency?
The ratio of
output in kWh to the input in kWh of a transformer over a 24-hour period is
known as all-day efficiency.

24. Define
regulation and efficiency of a transformer.
The voltage
regulation of a transformer is the arithmetic difference (not phasor
difference) between the no-load secondary voltage (0V2)
and the secondary voltage V2 on load expressed as percentage of
no-load voltage.

The efficiency
of a transformer is defined as the ratio of output power (in watts or kW) to
input power (watts or kW).

25. Mention the
different losses in transformer.
The losses that
occur in a transformer are:
(a) Core Losses -
eddy current and hysteresis losses.
(b) Copper
Losses.
PART B QUESTIONS
1. What is a
transformer? Explain the function it fulfills as an element of a power system.
2. Explain the
constructional differences between core and shell-type transformers.
3. Explain
briefly the ideal transformer as a circuit element. Can voltage and current
ratios be adjusted independently?
4. Explain the
operation and application of the impedance transforming property of an ideal
transformer.
5. State how the
LV and HV windings are arranged in a core-type transformer. Explain the reason.
6. What is the
phase relationship between the core flux, the magnetizing current and the
induced emfs in the primary and secondary winding of a transformer? Draw the
phasor diagram.
7. What is the
transformation ratio of a transformer? Why is it not identical to voltage ratio
of a transformer?
8. What
determines the maximum value of flux in a transformer core when excited from
the primary side? Does the value of flux change substantially when the
secondary is loaded? Explain the reason.
9. Explain how
the OC/SC tests separate out the core loss and copper loss.
10. A
transformer is excited from the primary side at rated voltage but with secondary
open. Would it draw any current? If so, what is action of this current and its
components?
11. Why cannot
the SC test separate out the primary and secondary resistances and leakage
inductances?
12. Justify that
under SC test the core loss is negligible.
13. Prove that
in the system, if the voltage bases are selected in the ratio of
transformation, the pu impedance of the transformer is same as either side.
Electrical and Instrumentation Engineering: Unit I: Transformer : Tag: : Transformer | Electrical and Instrumentation Engineering - Important Two Marks & 16 Marks Question and Answers
Electrical and Instrumentation Engineering
BE3254 - 2nd Semester - ECE Dept - 2021 Regulation | 2nd Semester ECE Dept 2021 Regulation